Nepriklausomas dvigubo stulpo ribinis kelionės jungiklis yra automatinis valdymo komponentas, suaktyvintas mechaninio judesio. Pagrindinė jo funkcija yra aptikti objekto poslinkį ar taktą, kad būtų galima atidaryti ir uždaryti grandines, įrangos pradžią ir sustabdymą arba apriboti apsaugą. Tai yra būtinas „saugos kontrolinė“ ir „veiksmo vadas“ pramoninėje automatizavime ir elektromechaninėje įrangoje.
Jungiklis Įvestiuction
Kelionės jungiklis (dar žinomas kaip ribinis jungiklis) yra automatinis valdymo komponentas, kurį sukelia mechaninis judesys. Pagrindinė jo funkcija yra aptikti objekto poslinkį ar taktą, kad būtų galima atidaryti ir uždaryti grandines, įrangos pradžią ir sustabdymą arba apriboti apsaugą. Tai yra būtinas „saugos kontrolinė“ ir „veiksmo vadas“ pramoninėje automatizavime ir elektromechaninėje įrangoje.
Jungiklis Taikymastion
Taikymas namų prietaisuose ir išmanieji namai:
Skalbimo mašina:Ant priekinės pakrovimo skalbimo mašinos durų įrengtas ribinis jungiklis. Prietaisas prasidės tik tada, kai durys bus visiškai uždarytos, o jungiklis suaktyvina grandinę, o tai neleidžia vandens nutekėjimui ar drabužių išmesti eksploatavimo metu.
Šaldytuvas/orkaitė:Kai uždaromos šaldytuvo durys, jungiklis sukasi, kad išjungtų vidaus šviesą. Ir atvirkščiai, jei orkaitės durys nėra saugiai uždarytos, jungiklis sumažins galią į kaitinimo elementus, kad būtų išvengta šilumos nutekėjimo.
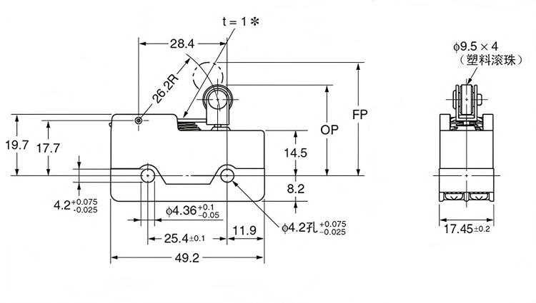
Jungiklis Detalės
