Kaip klasikinis Yueqing Tongda šedevras mikrojungiklių srityje, „Weipeng Smart Door Lock“ ir „Robot Vacuum Triple Reset Micro Switch“ pasižymi pagrindiniais „miniatiūrinės struktūros, itin ilgo tarnavimo ir tikslaus paleidimo“ pranašumais ir yra specialiai sukurtas žmogaus ir kompiuterio sąveikos įrenginiams, pvz., pelėms ir mažoms elektroninėms valdymo programoms.
Mikro jungiklio įvadas
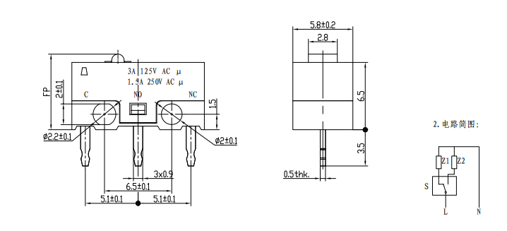
Kaip klasikinis Yueqing Tongda šedevras miniatiūrinių jungiklių srityje, HK-10 pelės jungiklis pasižymi pagrindiniais privalumais: „miniatiūrine struktūra, itin ilga eksploatavimo trukmė ir tikslus valdymas“, specialiai sukurtas žmogaus ir kompiuterio sąveikos įrenginiams, pvz., pelėms ir klaviatūroms, taip pat mažoms elektroninio valdymo programoms. Integruojant daugiau nei trisdešimties metų jungiklių gamybos patirtį ir patentuotą technologiją, šis gaminys tapo pagrindiniu buitinės elektronikos, pramoninio valdymo ir išmaniųjų įrenginių valdymo komponentu dėl milisekundžių reakcijos greičio, dešimčių milijonų ciklų ilgaamžiškumo ir plataus suderinamumo. Ji jau seniai teikė pagalbines paslaugas gerai žinomiems elektronikos prekių ženklams tiek šalies viduje, tiek tarptautiniu mastu.
Jis suderinamas su išmaniaisiais nešiojamaisiais įrenginiais, išmaniųjų namų valdymo pultais, nešiojamaisiais elektroniniais prietaisais ir kt. Jo kompaktiškas dizainas ir mažos energijos sąnaudos puikiai atitinka mažų įrenginių poreikius ir užtikrina tikslų valdymą tokiems gaminiams kaip išmanieji laikrodžiai ir išmaniosios durų spynos.
Naudojamas pramoniniams jutikliniams skydams, mažiems valdymo mygtukams, automatikos įrangos mikrojudesių valdymui ir tt Jo IP40 apsaugos laipsnis gali atsispirti dirbtuvių dulkėms, o didelis temperatūros našumas prisitaiko prie temperatūrų svyravimų pramoninėje aplinkoje, užtikrinant stabilų veikimą tokiais atvejais kaip surinkimo linijos valdymas ir įrangos derinimas.
Mikrojungiklio parametras (specifikacija)
| ITEM | Pagrindiniai techniniai parametrai |
| 1 | Elektros nominalioji vertė: 1A/3A 250VAC |
| 2 | Elektrinis eksploatavimo laikas: Min.10000 ciklų |
| 3 | Atsparumas kontaktui: <50mΩ |
| 4 | Veikimo jėga: 70±20gf |
| 5 | Laisva padėtis:7,3±0,2mm |
| 6 | Darbo padėtis: 7,0±0,2 mm |
| 7 | Aplinkos temperatūra: T85° |
| 8 | Atlaiko įtampą: tarp gnybto ir gnybto 500V/5S/5mA; |
| Tarp gnybtų ir korpuso 1500/5S/5mA | |
| 9 | Izoliacijos varža:>100MΩ Bandymo įtampa 500VDC |
| 10 | Proof Tracking Index PTI: 175V |
Išsami mikro jungiklio informacija
