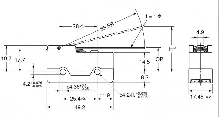
„Double-Link“ kelionės riba „Micro Switch“ yra automatinis valdymo komponentas, kurį sukelia mechaninis judesys. Pagrindinė jo funkcija yra aptikti objekto poslinkį ar taktą, kad būtų galima atidaryti ir uždaryti grandines, įrangos pradžią ir sustabdymą arba apriboti apsaugą. Tai yra būtinas „saugos kontrolinė“ ir „veiksmo vadas“ pramoninėje automatizavime ir elektromechaninėje įrangoje.
Jungiklis Įvestiuction
Kelionės jungiklis (dar žinomas kaip ribinis jungiklis) yra automatinis valdymo komponentas, kurį sukelia mechaninis judesys. Pagrindinė jo funkcija yra aptikti objekto poslinkį ar taktą, kad būtų galima atidaryti ir uždaryti grandines, įrangos pradžią ir sustabdymą arba apriboti apsaugą. Tai yra būtinas „saugos kontrolinė“ ir „veiksmo vadas“ pramoninėje automatizavime ir elektromechaninėje įrangoje.
Jungiklis Taikymastion
Kranų, liftų ir kėlimo platformose ribiniai jungikliai yra kritiniai saugos komponentai:
Lifto velenas:Viršutinio ir apatinio ribinės jungikliai yra sumontuoti lifto veleno viršuje ir apačioje. Jei liftas praranda valdymą ir per daug važiuoja, jungikliai suaktyvinami, kad būtų įjungiami avariniai stabdžiai, neleidžiant automobiliui sudužti į veleno viršutinę (viršutinę) arba apatinę (duobę).
Krano kabliukas:Libinis jungiklis yra sumontuotas viršutinės ribinės kablio kelio padėtyje. Kai kabliukas artėja prie krano tilto, jungiklis suaktyvinamas, kad būtų sumažinta kėlimo variklio galia, taip išvengta susidūrimų ir įrangos pažeidimo.
Jungiklis Detalės
