Namai > Produktai > Atsparus vandeniui mikro jungiklis > Itin kompaktiškas vandeniui atsparus mikrojungiklis
Itin kompaktiškas vandeniui atsparus mikrojungiklis
  • Itin kompaktiškas vandeniui atsparus mikrojungiklisItin kompaktiškas vandeniui atsparus mikrojungiklis

Itin kompaktiškas vandeniui atsparus mikrojungiklis

Vandeniui atsparus Micro Switch Ultra Compact turi nedidelį kontaktų intervalą ir greito veikimo mechanizmą, o kontaktinį mechanizmą, skirtą perjungimo veiksmui esant nurodytam smūgiui ir jėgai, dengia apvalkalas, o išorėje yra transmisija, o forma yra maža.

Modelis:FSK-20-586

Siųsti užklausą

Prekės aprašymas

WEIPENG®yra pirmaujantiKinija gamybars, tiekimasiers ir vandeniui atsparaus mikro jungiklio Ultra Compact eksportuotoja

Produktas Įvadasaukcionas 


Šis sandarus vandeniui atsparus mikrojungiklis tinka valdymo jungikliams išmaniuosiuose namuose. Jis gali realizuoti nuotolinį šviesų, užuolaidų, durų spynų ir kt.Vandeniui atsparūs mikro jungikliai paprastai suprojektuoti taip, kad triukšmas būtų žemas. Kai naudojate vandeniui atsparų jungiklį, nenaudokite per didelės arba per mažos jėgos.Venkite per didelės vibracijos arba vandeniui atsparaus jungiklio susidūrimo.Nenaudokite pažeisto vandeniui atsparaus jungiklio, jį reikia laiku pakeisti.Jei medicininės įrangos mini jungiklis yra nenormalus arba netinkamai veikia, jį reikia nedelsiant išjungti ir kreiptis į profesionalią techninės priežiūros pagalbą.Laikykitės atitinkamų elektros saugos taisyklių ir standartų savo šalyje ar regione.

Šis 30 voltų svirties jungiklis turi dvigubą kontaktų struktūrą, greito lanko gesinimo technologiją ir apsaugos nuo perkrovos funkciją, užtikrinančią saugų veikimą. Jame yra karinio lygio spyruoklinis mechanizmas ir antivibracinė vidinė fiksavimo konstrukcija, todėl ji yra patikima.


TonasGDA gamyklos DUK




Q1.: Ar turite sertifikatą apie savo gamyklą ar gaminius?

A1: Žinoma, mes turime stiprią sistemą, sertifikuotą, pvz., IATF16949, ISO14001, UL, TUV, VDE, Rohs, Reach ir susijusius patvirtinimus.


Q2. Kokia yra jūsų pavyzdinė politika?

A2: Nemokamas pavyzdys gali būti pateiktas per 3 dienas, tačiau greitą mokestį turi sumokėti klientas.


Q3. Kokios yra jūsų pakavimo sąlygos?

A3: Paprastai prekes supakuojame į neutralias dėžutes ir rudas dėžutes arba pritaikome, jei pasiekiamas kiekis.


4 klausimas. Kokios yra jūsų mokėjimo sąlygos?

A4: Paprastai T / T 30% kaip užstatas ir 70% prieš pristatymą., jei suma > 2000 USD



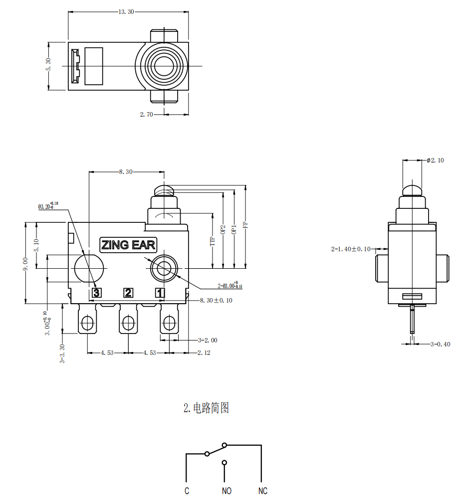
ProduktasSpecifikacija

Jungiklio techninės charakteristikos:
ITEM Techninis parametras Vertė
1 Elektros įvertinimas 10mA 14V DC/0.1A 30VDC
2 Operacinės pajėgos ≤1,5N
6 Elektrinis gyvenimas ≥50 000 ciklų
7 Mechaninis gyvenimas ≥100 000 ciklų
8 NE (darbo padėtis) 8,4±0,3 mm
9 NC (darbo padėtis) 8,4±0,3 mm
10 Atsparus vibracijai Vibracijos dažnis: 10-55HZ
Amplitudė: 1,5 mm
Trys kryptys: 1H
11 Litavimo galimybės: daugiau nei 80% panardintos dalies
turi būti padengtas lydmetaliu
Litavimo temperatūra: 235±5 ℃
Panardinimo laikas: 2–3 S
12 Atsparumas litavimui karščiui Panardinamasis litavimas: 260±5℃ 5±1S
Rankinis litavimas: 300±5 ℃ 2 ~ 3S
13 Bandymo sąlygos Aplinkos temperatūra: 20±5 ℃
Santykinė oro drėgmė: 65±5%RH
Oro slėgis: 86 ~ 106 KPa


Produkto detalės




Hot Tags: Itin kompaktiškas vandeniui atsparus mikrojungiklis
Susijusi kategorija
Siųsti užklausą
Nedvejodami pateikite savo užklausą žemiau esančioje formoje. Mes jums atsakysime per 24 valandas.
X
Naudojame slapukus siekdami pasiūlyti geresnę naršymo patirtį, analizuoti svetainės srautą ir suasmeninti turinį. Naudodamiesi šia svetaine sutinkate su mūsų slapukų naudojimu. Privatumo politika
Atmesti Priimti