Savarankiškas slėgio riba Mikro jungiklis yra automatinis valdymo komponentas, kurį sukelia mechaninis judesys. Pagrindinė jo funkcija yra aptikti objekto poslinkį ar taktą, kad būtų galima atidaryti ir uždaryti grandines, įrangos pradžią ir sustabdymą arba apriboti apsaugą. Tai yra būtinas „saugos kontrolinė“ ir „veiksmo vadas“ pramoninėje automatizavime ir elektromechaninėje įrangoje.
Jungiklis Įvestiuction
Kelionės jungiklis (dar žinomas kaip ribinis jungiklis) yra automatinis valdymo komponentas, kurį sukelia mechaninis judesys. Pagrindinė jo funkcija yra aptikti objekto poslinkį ar taktą, kad būtų galima atidaryti ir uždaryti grandines, įrangos pradžią ir sustabdymą arba apriboti apsaugą. Tai yra būtinas „saugos kontrolinė“ ir „veiksmo vadas“ pramoninėje automatizavime ir elektromechaninėje įrangoje.
Jungiklis Taikymastion
Pjovimo platformos kėlimo mechanizmas kombinuotame kombaine yra aprūpintas kelionių jungikliu, kuris nustato pjovimo platformos „minimalų darbinį aukštį“ ir „transporto aukštį“. Derliaus nuėmimo metu, jei pjovimo platforma nusileidžia per žemai (arti žemės, galbūt subraižant dirvožemį), jungiklis suaktyvinamas, kad būtų galima valdyti hidraulinę sistemą, kad būtų galima pakelti pjovimo platformą; Transporto metu, kai pjovimo platforma pakyla į aukščiausią padėtį, jungiklis suaktyvinamas, kad būtų užrakintas pjovimo platformos aukštis, neleidžiant drebėti vairavimo metu. Sėlininko sėklos dėžutėje kelionės jungiklis nustato sėklų lygį. Kai sėklos baigsis, jungiklis suaktyvina aliarmo įtaisą, kad operatoriui primintų sėklas, užkirsdamas kelią praleistai sėjimui.
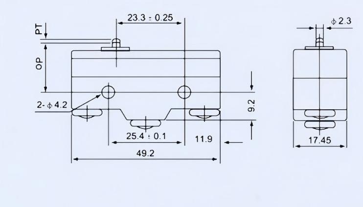
Jungiklis Detalės
