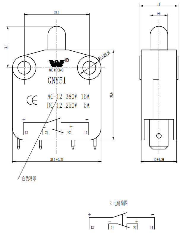
Kištuko stulpelio tipo mygtukas „Micro Junch“ automatinėse dalyse turi nedidelį kontaktinį intervalą ir greito veiksmo mechanizmą, o kontaktinis mechanizmas, skirtas perjungti veiksmą su nurodytu smūgiu ir jėga, yra padengtas apvalkalu, o išorėje yra transmisija, o forma yra maža.
Produktas Įvestiuction
„Push-to-Push Micro“ jungikliai yra dažnas elektroninis komponentas, naudojamas grandinės įjungimo ir išjungimo būsenai valdyti. Paprastai tai susideda iš mygtuko ir jungiklio, kuris keičiasi, kai paspaudžiamas mygtukas.
„Ploch“ mygtuko jungikliai gali naudoti mirksinčią efektą, paspaudus mygtuką, mygtukas mirksės, kad patrauktų vartotojo dėmesį.
Produktas Taikymasir specifikacija
Įklijavimo stulpelio tipo mygtuko mygtukas Mikro jungikliai gali būti naudojami šviesai valdyti, kai mygtukas paspaudžiamas, lemputė įjungs arba išjungs. Jis taip pat gali būti naudojamas valdyti elektros įrangos jungiklį, oro kondicionierių ir kt. Pramoniniame lauke, mygtukų jungikliai yra plačiai naudojami mechaninės įrangos pradžiai ir sustabdymui valdyti. Ar tai yra buitinė, pramoninė, automobilių ar elektroninė įranga, neatsiejama nuo šio paprasto valdymo komponento.
| Perjunkite technines charakteristikas: | |||
| Daiktas | Techninis parametras | Vertė | |
| 1 | Elektros reitingas | 16A 250 VAC | |
| 2 | Kontaktinis pasipriešinimas | ≤50mΩ pradinė vertė | |
| 3 | Atsparumas izoliacijai | ≥100mΩ (500 VDC) | |
| 4 |
Dielektrikas Įtampa |
Tarp nesusiję terminalai |
500 V/0,5MA/60s |
| Tarp terminalų ir metalinis rėmas |
1500 V/0,5MA/60s | ||
| 5 | Elektrinis gyvenimas | ≥50000 ciklų | |
| 6 | Mechaninis gyvenimas | ≥100000 ciklų | |
| 7 | Darbinė temperatūra | -25 ~ 125 ℃ | |
| 8 | Veikimo dažnis | Elektrinis: 15 ciklų Mechaninis: 60 ciklų |
|
| 9 | Vibracijos įrodymas | Vibracijos dažnis: 10 ~ 55Hz; Amplitudė: 1,5 mm; Trys kryptys: 1H |
|
| 10 | Lydmetalio sugebėjimas: Daugiau nei 80% panardintos dalies bus padengtas litavimu |
Litavimo temperatūra: 235 ± 5 ℃ Panardinimo laikas: 2 ~ 3S |
|
| 11 | Lydymo šilumos atsparumas | DIP litavimas: 260 ± 5 ℃ 5 ± 1S Rankinis litavimas: 300 ± 5 ℃ 2 ~ 3S |
|
| 12 | Saugos patvirtinimai | UL 、 CSA 、 TUV 、 CQC 、 CE | |
| 13 | Bandymo sąlygos | Aplinkos temperatūra: 20 ± 5 ℃ Santykinė drėgmė: 65 ± 5%RH Oro slėgis: 86 ~ 106 kPa |
|
Produktas Detalės


