Plastikinis magnetinis mikrojungiklis yra jungiklis, valdantis grandinės įjungimą ir išjungimą magnetinio lauko signalais. Jo pagrindinė funkcija yra bekontaktis veikimas, todėl jis turi greito reagavimo, ilgo tarnavimo ir didelio patikimumo pranašumus ir yra plačiai naudojamas pramonės automatizavimo, saugumo, automobilių ir išmaniųjų namų srityse.
Mikro jungiklio įvadas
Magnetinis jungiklis yra jungiklis, kuris valdo grandinės įjungimą ir išjungimą magnetinio lauko signalais. Jo pagrindinė funkcija yra bekontaktis veikimas, todėl jis turi greito reagavimo, ilgo tarnavimo ir didelio patikimumo pranašumus ir yra plačiai naudojamas pramonės automatizavimo, saugumo, automobilių ir išmaniųjų namų srityse.
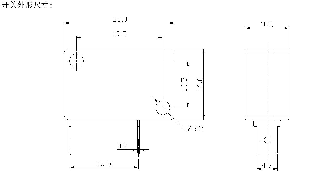
Mikrojungiklio parametras (specifikacija)
| Jungiklio techninės charakteristikos: | |||
| ITEM | Techninis parametras | Vertė | |
| 1 | Elektros įvertinimas | 5(2)A/10A/16(3)A/21(8)A 250VAC | |
| 2 | Kontaktinis pasipriešinimas | ≤30mΩ Pradinė vertė | |
| 3 | Izoliacijos atsparumas | ≥100MΩ (500VDC) | |
| 4 |
Dielektrinis Įtampa |
Tarp neprijungti gnybtai |
1000V/0,5mA/60S |
|
Tarp terminalų ir metalinis rėmas |
3000V/0,5mA/60S | ||
| 5 | Elektrinis gyvenimas | ≥50 000 ciklų | |
| 6 | Mechaninis gyvenimas | ≥1000000 ciklų | |
| 7 | Darbinė temperatūra | -25-125 ℃ | |
| 8 | Veikimo dažnis |
elektrinis : 15 ciklų Mechaninis: 60 ciklų |
|
| 9 | Atsparus vibracijai |
Vibracijos dažnis: 10~55HZ; Amplitudė: 1,5 mm; Trys kryptys: 1H |
|
| 10 |
Litavimo galimybės: Daugiau nei 80% panardintos dalies turi būti padengtas lydmetaliu |
Litavimo temperatūra: 235±5 ℃ Panardinimo laikas: 2–3 S |
|
| 11 | Atsparumas litavimui karščiui |
Panardinamasis litavimas: 260±5℃ 5±1S Rankinis litavimas: 300±5 ℃ 2~3S |
|
| 12 | Saugos patvirtinimai | UL, CSA, VDE, ENEC, TUV, CE, KC, CQC | |
| 13 | Bandymo sąlygos |
Aplinkos temperatūra: 20±5 ℃ Santykinė oro drėgmė: 65±5%RH Oro slėgis: 86 ~ 106 KPa |
|
Mikro jungiklio funkcija ir taikymas
Išsami mikro jungiklio informacija
