Kaip reprezentatyvus Yueqing Tongda Wire Electric Factory produktas, įkūnijantis pagrindinio standartizavimo ir pritaikymo integravimą, sulčiaspaudėms, dulkių siurbliams, spausdintuvams ir kitiems Dįrenginiams skirti mikrojungikliai yra sukurti pagal pagrindinius „stabilumo, patikimumo ir suderinamumo su scenomis“ principus. Ji apima 35 metų įmonės jungiklių gamybos patirtį, leidžiančią kelis kartus optimizuoti elektros našumą, apsaugos lygius ir naudotojo patirtį. Jungiklis plačiai taikomas tokiuose scenarijuose kaip išmanusis namų elektros paskirstymas, pramoninė pagalbinė įranga ir maži medicinos instrumentai, todėl jis yra pageidaujamas grandinės valdymo komponentas, suderinantis universalumą ir pritaikymo galimybes.
Mikro jungiklisĮvadas
Toliau pateikiami pagrindiniai gamybos etapai, kuriuos pirkėjai turi suprasti, norėdami įvertinti produkto kokybę:
1. Komponentų gamyba: Tiksliai apdirbti metaliniai kontaktai ir spyruoklės; patvarus korpusas (plastiko/metalo medžiagos).
2. Surinkimas: Tiksliai sumontuokite spyruokles, kontaktus ir pavaras, kad nepakenktumėte veikimui.
3. Testavimas: Griežtas testavimas (tūkstančiai spaudos bandymų, elektros tęstinumo bandymai), siekiant užtikrinti patikimumą.
4. Pakuotė: Apsauginė pakuotė, skirta lengvai transportuoti, su aiškiu specifikacijų ženklinimu.
Mikro jungiklisTaikymas
Mikrojungikliai yra plačiai naudojami ir patikimi, daugiausia naudojami:
- Buitinė technika: šaldytuvo šviestuvai, mikrobangų krosnelės durelių spynos, skalbimo mašinos dangčio jungikliai, skrudintuvo laikmačiai.
- Pramoninė įranga: didelio našumo modeliai, tinkantys konvejerio juostoms, mašinoms ir valdymo skydams (atsparūs dulkėms ir drėgmei).
- Automobilių sritis: priekinio stiklo valytuvai, durų uždarymo indikatoriai – gali atlaikyti vibraciją ir ekstremalias temperatūras.
- Elektroniniai įrenginiai: miniatiūriniai nuotolinio valdymo pultelių ir žaidimų valdiklių jungikliai (reaguojantys ir ilgaamžiai).
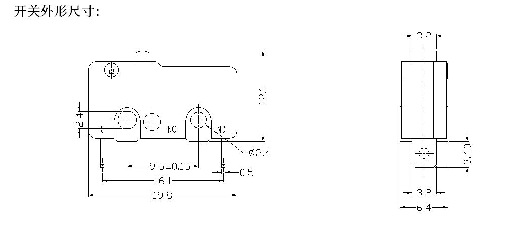
Mikro jungiklis Specifikacija
| Jungiklio techninės charakteristikos: | |||
| ITEM | Techninis parametras | Vertė | |
| 1 | Elektros įvertinimas | 5(2)A 125V/250VAC 10(3)125V/250VAC | |
| 2 | Atsparumas kontaktui | ≤50mΩ Pradinė vertė | |
| 3 | Izoliacijos atsparumas | ≥100MΩ (500VDC) | |
| 4 |
Dielektrinis Įtampa |
Tarp neprijungti gnybtai |
500V/0,5mA/60S |
| Tarp terminalų ir metalinis rėmas |
1500V/0,5mA/60S | ||
| 5 | Elektrinis gyvenimas | ≥10 000 ciklų | |
| 6 | Mechaninis gyvenimas | ≥100 000 ciklų | |
| 7 | Darbinė temperatūra | -25 ~ 125 ℃ | |
| 8 | Veikimo dažnis | Elektra: 15 ciklų Mechaninis: 60 ciklų |
|
| 9 | Atsparus vibracijai | Vibracijos dažnis: 10~55HZ; Amplitudė: 1,5 mm; Trys kryptys: 1H |
|
| 10 | Litavimo galimybės: Daugiau nei 80% panardintos dalies turi būti padengtas lydmetaliu |
Litavimo temperatūra: 235±5 ℃ Panardinimo laikas: 2–3 S |
|
| 11 | Atsparumas litavimui karščiui | Panardinamasis litavimas: 260±5℃ 5±1S Rankinis litavimas: 300±5 ℃ 2 ~ 3S |
|
| 12 | Saugos patvirtinimai | UL, CSA, VDE, ENEC, CE | |
| 13 | Bandymo sąlygos | Aplinkos temperatūra: 20±5 ℃ Santykinė oro drėgmė: 65±5%RH Oro slėgis: 86 ~ 106 KPa |
|
Tongda Wire Electric Mikro USB integruotas maitinimo jungiklis Detalės


