Kaip etaloninis Yueqing Tongda kabelinės elektrinės mikrojungiklių serijos modelis, HK-14 turi „didelį jautrumą, itin ilgą tarnavimo laiką ir pritaikomumą įvairiems scenarijams“ kaip pagrindinius privalumus. Integruojant įmonės 35 metų jungiklių gamybos patirtį, jis tapo pagrindiniu valdymo komponentu buitinės technikos, automobilių elektronikos, pramonės automatikos ir kitose srityse dėl savo minimalaus kontaktų tarpo ir greito veikimo mechanizmo. Jos veikimą ir patikimumą sertifikavo kelios autoritetingos organizacijos visame pasaulyje, užtikrindamos pagrindines pozicijas nišinėje rinkoje.
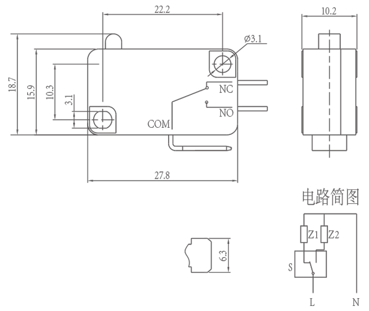
Mikro jungiklio įvadas
Platus prisitaikymas prie aplinkos: veikia plačiame temperatūrų diapazone nuo -25 ℃ iki 125 ℃, atlaiko aukšto dažnio vibracijas 10-55 Hz, izoliacijos varža ≥ 100 MΩ, o gnybtų atlaiko 1000 V kintamosios srovės įtampą. Patikimas veikimas atšiauriomis sąlygomis, tokiomis kaip pramoninių dirbtuvių vibracija ir aukšta temperatūra automobilių variklių skyriuose.
Itin patvari kokybė: didelio laidumo lydinio kontaktai, suporuoti su sustiprinta konstrukcija, užtikrina mechaninį tarnavimo laiką, viršijantį 1 milijoną ciklų, o elektrinį - daugiau nei 50 000 ciklų. Idealiai tinka ilgalaikiam stabiliam darbui aukšto dažnio naudojimo aplinkoje, pvz., automobilių elektronikoje ir elektriniuose įrankiuose.
Platus prisitaikymas prie aplinkos: veikia plačiame temperatūrų diapazone nuo -25 ℃ iki 125 ℃, atlaiko aukšto dažnio vibracijas 10-55 Hz, izoliacijos varža ≥ 100 MΩ, o gnybtų atlaiko 1000 V kintamosios srovės įtampą. Patikimas veikimas atšiauriomis sąlygomis, tokiomis kaip pramoninių dirbtuvių vibracija ir aukšta temperatūra automobilių variklių skyriuose.
Mikrojungiklio parametras (specifikacija)
| Jungiklio techninės charakteristikos: | |||
| ITEM | Techninis parametras | Vertė | |
| 1 | Elektros įvertinimas | 5(2)A/10A/16(3)A/21(8)A 250VAC | |
| 2 | Kontaktinis pasipriešinimas | ≤30mΩ Pradinė vertė | |
| 3 | Izoliacijos atsparumas | ≥100MΩ (500VDC) | |
| 4 |
Dielektrinis Įtampa |
Tarp neprijungti gnybtai |
1000V/0,5mA/60S |
| Tarp terminalų ir metalinis rėmas |
3000V/0,5mA/60S | ||
| 5 | Elektrinis gyvenimas | ≥50 000 ciklų | |
| 6 | Mechaninis gyvenimas | ≥1000000 ciklų | |
| 7 | Darbinė temperatūra | -25 ~ 125 ℃ | |
| 8 | Veikimo dažnis | elektrinis : 15 ciklų Mechaninis: 60 ciklų |
|
| 9 | Atsparus vibracijai | 5(2)A/10A/16(3)A/21(8)A 250VAC Amplitudė: 1,5 mm; Trys kryptys: 1H |
|
| 10 | Litavimo galimybės: Daugiau nei 80% panardintos dalies turi būti padengtas lydmetaliu |
Litavimo temperatūra: 235±5 ℃ Panardinimo laikas: 2–3 S |
|
| 11 | Atsparumas litavimui karščiui | Panardinamasis litavimas: 260±5℃ 5±1S 5(2)A/10A/16(3)A/21(8)A 250VAC |
|
| 12 | Saugos patvirtinimai | UL, CSA, VDE, ENEC, TUV, CE, KC, CQC | |
| 13 | Bandymo sąlygos | Aplinkos temperatūra: 20±5 ℃ Santykinė oro drėgmė: 65±5%RH Oro slėgis: 86 ~ 106 KPa |
|
Mikro jungiklio funkcija ir taikymas
Išsami mikro jungiklio informacija


