Kaip reprezentatyvus Yueqing Tongda kabelinės elektrinės produktas, įkūnijantis pagrindinio standartizavimo ir pritaikymo integravimą, dujinio vandens šildytuvo ir dujinės viryklės mikrojungiklis yra sukurtas vadovaujantis pagrindiniais „stabilumo, patikimumo ir suderinamumo su scenomis“ principais. Ji apima 35 metų įmonės jungiklių gamybos patirtį, leidžiančią kelis kartus optimizuoti elektros našumą, apsaugos lygius ir naudotojo patirtį. Jungiklis plačiai taikomas tokiuose scenarijuose kaip išmanusis namų elektros paskirstymas, pramoninė pagalbinė įranga ir maži medicinos instrumentai, todėl jis yra pageidaujamas grandinės valdymo komponentas, suderinantis universalumą ir pritaikymo galimybes.
Mikro jungiklisĮvadas
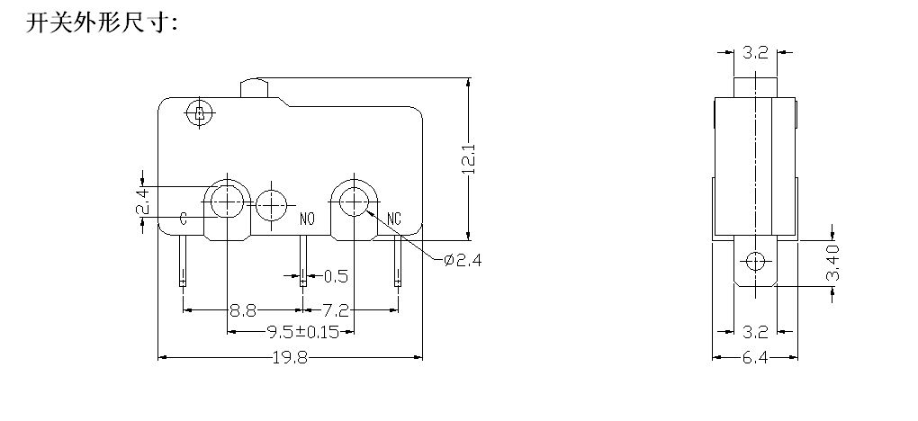
Jungiklis HK-04G-L orientuojasi į praktinius pagrindinių parametrų reikalavimus, atitinkančius pagrindinius įvairių scenarijų valdymo standartus. Kontaktai pagaminti iš sidabro ir alavo lydinio ir apdoroti tiksliu suvirinimu, o pradinė kontaktinė varža ≤8mΩ. Jis gali patikimai perduoti 10A–16A kintamosios srovės srovę (vardinė įtampa 250 V kintamosios srovės), tinka daugeliui buitinių ir mažų pramoninių prietaisų, efektyviai užkertant kelią kontaktų perkaitimui ar erozijai, kurią sukelia srovės perkrova.
Trigeris ir eksploatavimo trukmė yra vienodai patikimi: jame naudojama svirties tipo gaiduko konstrukcija, kurios spaudimo eiga yra 1,3–1,6 mm, o veikimo jėga valdoma 1,5–3 N. Suaktyvinimo grįžtamasis ryšys yra aiškus ir sklandus, todėl kasdien naudojant mažai tikėtina, kad atsiras „neatsakingas paspaudimas“. Mechaninis eksploatavimo laikas siekia 80 000 presavimo ciklų, o elektrinis - daugiau nei 50 000 ciklų. Naudojant aukšto dažnio įrenginius, tokius kaip šaldytuvai, maži ventiliatoriai ir komerciniai spausdintuvai, jis gali stabiliai veikti 3–5 metus.
Galimybė prisitaikyti prie aplinkos atitinka įprastus scenarijaus reikalavimus: Gaminys veikia temperatūros diapazone nuo -30°C iki 80°C, gali atlaikyti žemą temperatūrą šiaurinėmis žiemomis ir šilumos išsklaidymo sąlygomis vasarą; izoliacijos varža yra ≥50MΩ (500VDC), o gnybtų įtampos atsparumas siekia 800V kintamosios srovės, atitinkantis saugos elektros standartus buitiniam ir komerciniam naudojimui. Be to, korpusas pagamintas iš antipireno ABS medžiagos (atitinka UL94 V-1), todėl sumažėja pavojus saugai dėl trumpųjų jungimų.
Mikro jungiklisTaikymas
Išmaniųjų namų ir buities scenarijuose HK-04G-L, kurio kompaktiškas dydis (maždaug 20 × 15 × 10 mm, L × P × A), gali būti lengvai integruojamas į išmaniąsias skirstomąsias dėžes, sieninius lizdus ir mažų prietaisų valdymo pultus. Šiuo metu jis tapo komponentu, naudojamu daugelio buitinių išmaniųjų namų prekių ženklų funkcijoms, tokioms kaip apšvietimo valdymas ir prietaiso maitinimo perjungimas. Vienas prekės ženklas pranešė, kad gaminių su juo gedimų lygis yra 40% mažesnis nei tradicinių jungiklių.
Mažos apimties pramoniniuose ir komerciniuose scenarijuose produktas tinka mažos konvejerio įrangos, komercinių kavos aparatų, biuro spausdintuvų ir kitų įrenginių galiai valdyti. Optimizuodamas gnybtų jungties struktūrą, jis palaiko greitą laidų instaliaciją, padidindamas įrenginio surinkimo efektyvumą. Anksčiau komercinių prietaisų gamintojui pritaikyta versija, pakoregavus tarpą tarp gnybtų, atitiko kompaktiškus jų įrangos vidinių laidų reikalavimus, todėl įrengimo efektyvumas buvo pagerintas 25%.
Mikro jungiklis Specifikacija
| Jungiklio techninės charakteristikos: | |||
| ITEM | Techninis parametras | Vertė | |
| 1 | Elektros įvertinimas | 5(2)A 125V/250VAC 10(3)125V/250VAC | |
| 2 | Atsparumas kontaktui | ≤50mΩ Pradinė vertė | |
| 3 | Izoliacijos atsparumas | ≥100MΩ (500VDC) | |
| 4 |
Dielektrinis Įtampa |
Tarp neprijungti gnybtai |
500V/0,5mA/60S |
| Tarp terminalų ir metalinis rėmas |
1500V/0,5mA/60S | ||
| 5 | Elektrinis gyvenimas | ≥10 000 ciklų | |
| 6 | Mechaninis gyvenimas | ≥100 000 ciklų | |
| 7 | Darbinė temperatūra | -25-125 ℃ | |
| 8 | Veikimo dažnis | Elektra: 15 ciklų Mechaninis: 60 ciklų |
|
| 9 | Atsparus vibracijai | Vibracijos dažnis: 10~55HZ; Amplitudė: 1,5 mm; Trys kryptys: 1H |
|
| 10 | Litavimo galimybės: Daugiau nei 80% panardintos dalies turi būti padengtas lydmetaliu |
Litavimo temperatūra: 235±5 ℃ Panardinimo laikas: 2–3 S |
|
| 11 | Atsparumas litavimui karščiui | Panardinamasis litavimas: 260±5℃ 5±1S Rankinis litavimas: 300±5 ℃ 2 ~ 3S |
|
| 12 | Saugos patvirtinimai | UL, CSA, VDE, ENEC, CE | |
| 13 | Bandymo sąlygos | Aplinkos temperatūra: 20±5 ℃ Santykinė oro drėgmė: 65±5%RH Oro slėgis: 86 ~ 106 KPa |
|
Tongda Wire Electric Mikro USB integruotas maitinimo jungiklis Detalės

